
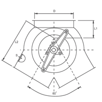
Material
Pressed steel plate, painted, with 2mm steel plate damper and brass bearings
Sizes
100mm to 300mm
Operation
Manually operated
Note
These diverters can be adjusted to 45° operation through fitting a SpeedLock 15° bend to the inlet and one outlet
