
Material
0.9mm galvanised steel
Sizes
Common sizes are a stock item
Special requirements are manufactured to order
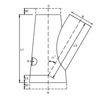
Dimensions
Refer to table - customer to specify A, B, & C
Please note the Branch 'B' determines L1, as in the table below
The maximum diameter reduction between A & C is 200mm. B must however, not be larger than or equal to (A+C)/2
In the case of double branch pieces, the largest branch determines Length L1
